Diode To Use With Relay

What Is A Flyback Diode

What Is The Purpose Of Freewheeling Diode Quora

Use Of Flyback Diodes Electrical Engineering Stack Exchange

Why Does Freewheeling Diode Is Used In Relay Quora

Diode Protected Relay

Brake Light Relay Installation

Relays

How To Build A Relay Driver Circuit

What Wire Do I Tap Into Ranger Forums The Ultimate Ford

12 Volt Car Relays Used In Automotive Industry

Relay Coil Suppression With Single Zener Diode Across Bjt

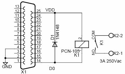
Relay For Switching 3a 240vac Loads Usb Data Acquisition

Power Relay 24v 200a 1600a 1sec Make Contact With
Coil Diode

Real World Applications Of Solid State Relays Bluesat Unsw
Comments
Post a Comment